阿里店铺
|
联系我们
全国统一客服热线:
0577-57175688
云顶集团首页
关于云顶集团
资讯动态
产品中心
资质荣誉
营销网络
招商代理
联系我们
产品总汇
| Products
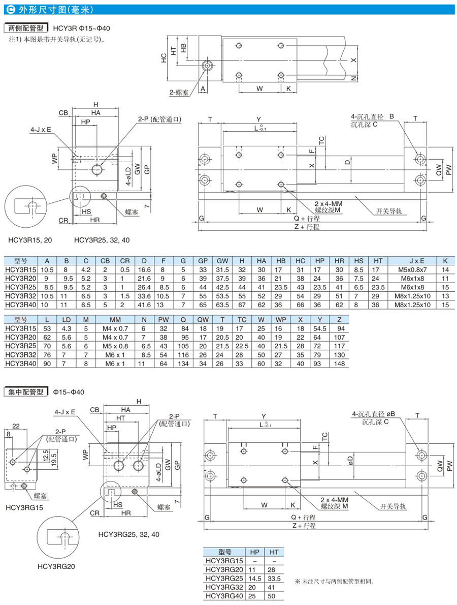
HCY3B((R)系列磁偶式无杆气缸
产品概述:
相关产品
HCY3B((R)系列磁..
HCY1L系列磁偶式无杆..
HCY1S系列磁偶式无杆..
云顶集团首页
关于云顶集团
资讯动态
产品中心
资质荣誉
营销网络
招商代理
联系我们
浙公网安备 33038202002877号
展开
收缩
QQ咨询
在线咨询
在线客服
在线客服
公司电话
0577-57175688
公司传真
0577-57175577
sitemap
、
网站地图
友情链接:
u乐国际
凯发·k8国际
yth游艇会
XPJ
利来w66
永盈会
球盟会
凯发K8国际
hjc888黄金城
hjc888黄金城
bifa·必发
FH至尊
申博sunbet
必发88
大红鹰dhy
凯发K8国际
云顶集团
九游会平台
利来w66国际
优发国际