阿里店铺
|
联系我们
全国统一客服热线:
0577-57175688
云顶集团首页
关于云顶集团
资讯动态
产品中心
资质荣誉
营销网络
招商代理
联系我们
产品总汇
| Products
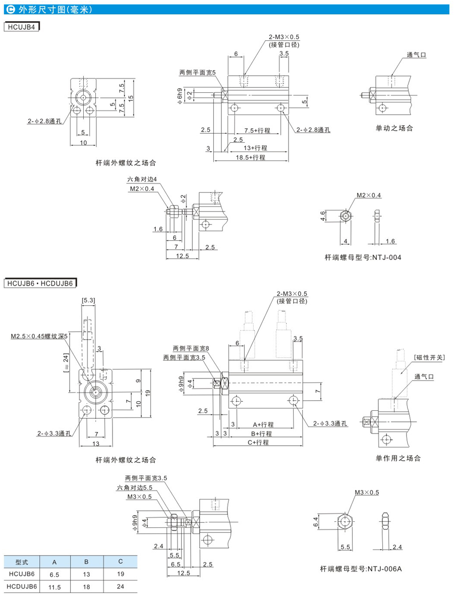
HCUJB系列小型自由安装型气缸
产品概述:
相关产品
HCUJB系列小型自由安..
HCU、HCUK系列自由..
云顶集团首页
关于云顶集团
资讯动态
产品中心
资质荣誉
营销网络
招商代理
联系我们
浙公网安备 33038202002877号
展开
收缩
QQ咨询
在线咨询
在线客服
在线客服
公司电话
0577-57175688
公司传真
0577-57175577
sitemap
、
网站地图
友情链接:
凯发·k8国际
永盈会
新利体育
welcome海洋之神
hjc888黄金城
qy-千亿球友会
AG旗舰厅
XPJ
云顶国际
凯发k8国际
永盈会
腾博会
hjc黄金城
月博
FH至尊
新利体育·luck18
k8凯发天生赢家
u乐国际
优发国际
九游会入口